
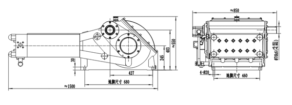
單泵重量 :900kg 單泵外形:1500*850*550
閥組形式 :板閥和錐閥 最高壓力: 300MPa
最大流量: 840 L/min 最大功率: 280 kW
潤滑油容積:25L 潤滑油:15W-40、S2G150等
產品介紹:
250TJ3型高壓泵采用美國先進的高壓技術,整體結構緊湊,體積較小,重量輕,工作效率高等特點,便于維護和操作,噪音小。有四款產品,超高壓、G型、L型、T型。
如果產品需求,請在下表中找到所需的壓力或者流量,然后加入詢價單。
動力端介紹:
原動機驅動高速軸通過一對人字齒輪將轉矩傳給曲軸,同時降速。曲軸通過連桿機構將旋轉運動轉換為往復運動,由十字頭裝置帶動柱塞作工,完成工況要求。
液力端介紹:
當柱塞在曲軸的帶動下回程運動時泵頭工作缸內腔容積逐漸增大,壓力減小,形成負壓,這時排液閥處于關閉狀態。在壓差的作用下,進液閥打開,液體進入工作缸。柱塞繼續移動到回程極限位置時,洗液過程終止,工作缸內充滿液體。柱塞做 進程運動時,工作腔容積逐漸減小,壓力增加,使進液閥關閉,排液閥打開,液體從排出通道排出,柱塞達到終點時,工作腔的容積下限,壓力大。柱塞不斷地往復運動,吸排液過程就不斷地交替進行,高壓液體不斷地從排液通道排輸出。
冷卻潤滑系統:
齒輪油泵隨高速軸轉動而運行,將動力端箱內的潤滑油吸出經過冷卻器,將潤滑油降溫,然后經過濾器將潤滑油過濾。過濾后的低溫潤滑油進入曲軸和軸瓦的潤滑部位及潤滑部位及其他需要潤
滑的部位,多余的潤滑油經過單向背壓閥回動力端體內。
外形及安裝尺寸:

